Ningún producto
Estos precios se entienden IVA incluído
Indice
.
.
.
.
Un variador de frecuencia es un sistema para el control de la velocidad de giro en motores de corriente alterna (AC) mediante el control de la frecuencia de alimentación suministrada al motor.
A los variadores de frecuencia también se les denomina drivers de frecuencia ajustable (AFD), drivers de CA, microdrivers o inversores. Debido a que el voltaje varía a la vez que la frecuencia, también se les llama variador de voltaje variador de frecuencia (VVVF).
Resumiendo, con estos aparatos tenemos la posibilidad de regular la velocidad y sentido de giro de un motor eléctrico, controlar la velocidad de arranque y proteger el motor facilmente. Tiene una muy fácil instalación y no requiere de mantenimiento.
Tenemos la posibilidad de adquirir un variador con entrada monofásica 220 V (Doméstica), trifásica 220 V, trifásica 380 V, o incluso con entrada de voltaje directo de placas solares. Tenemos que tener muy claro que voltaje es el que tenemos y el tipo de motor que se va a conectar al variador antes de adquirir uno, ya que dependiendo del voltaje del motor y su potencia determinaremos el tipo de variador que necesitamos. (Si estos parámetros no se tienen claros siempre puede consultar a nuestro departamento técnico)
También existe la posibilidad de adquirir un variador con transformador incorporado que convierte el voltaje de 220 V a 380 V para poder conectar un motor trifásico 380 V en una conexión 220 V doméstica.
.
.
.
.
.
.
Algunos equipos como, por ejemplo, variadores de velocidad, inversores, UPS, hornos de arco, transformadores, filtro y lámparas de descarga, provocan distorsión de tensión, es decir, armónicos.
Los armónicos provocan tensión en la red. La distorsión de tensión sobrecarga los cables, provoca fallos en relés e interruptores automáticos, y altera el funcionamiento de muchos tipos de equipo como, por ejemplo, ordenadores, teléfonos, etc...
.
.
Beneficios
.
.
La instalación de filtros de armónicos eliminará la mayoría de los problemas de calidad de energía, es decir, limitará las fluctuaciones de tensión, mejorará la eficiencia y las condiciones de funcionamiento, reducirá la factura eléctrica y permitirá la optimización de la red.
El nivel de armónicos de un sistema concreto puede mantenerse por debajo del nivel especificado de distintas formas:
baterías de corrección de factor de potencia equipadas con reactancia desintonizadora controlarán la corrección de factor de potencia para reducir el nivel de armónicos
filtros pasivos con reactancias de bloqueo se encargarán de rangos concretos de armónicos
un filtro activo controlará el nivel de armónicos
.
.
Principales funciones
.
.
El filtrado armónico limita las fluctuaciones de tensión, mejora condiciones de operación y eficiencia, reduce el coste de la factura eléctrica y permite optimizar la red.
El grado de contaminación armónica de un sistema específico puede ser controlado por debajo de un nivel aproximado utilizando diferentes métodos:
Banco de compensación del factor de potencia con una inductancia específica para evitar resonancias en frecuencias armónicas permite mejorar el factor de potencia y reducir el contenido armónico.
Filtros pasivos con reactancias específicas para reducir determinados armónicos.
Un filtro activo que reduce el contenido armónico global.
.
.
.
.
Un arrancador suave es un dispositivo electrónico utilizado para ayudar a proteger los motores. No todos los motores están equipados de inicio con arrancadores suaves, pero se han convertido en algo común, especialmente con motores delicados que pueden ser fácilmente dañados por la afluencia repentina de energía.
.
La mayoría de los arrancadores suaves están hechos de interruptores de estado sólido conocidos como rectificadores controlados de silicona, o SCRs. Tienen un trabajo simple: regular el voltaje de manera que el motor recibe primero una oleada de baja tensión, que va ascendiendo hasta que el motor empieza a girar, ahorrando en el desgaste y a menudo colaborando a que los componentes electrónicos duren más tiempo. Los interruptores se encienden en sucesión rápida para dejar pasar más y más voltaje.
.
Los arrancadores suaves pueden ser de circuito abierto o cerrado. Las unidades de circuito abierto no tienen retroalimentación, de modo que controlan el voltaje sólo de acuerdo al valor de voltaje predeterminado. Si el motor no coincide con el ajuste, el arrancador suave puede no funcionar correctamente. Las versiones de circuito cerrado ofrecen un circuito de retroalimentación que permite al motor de arranque determinar cómo se debe proteger el motor.
.
Los arrancadores suaves varían para las diferentes fases. Una unidad de una sola fase controla la torsión de arranque pero no afecta realmente a la cantidad de corriente, lo que hace difícil ayudar a los motores con ciclo frecuente. Los arrancadores de dos fases ofrecen más protección pero típicamente se utilizan con un interruptor térmico para ayudar a proteger el motor. Los arrancadores trifásicos controlan las tres fases del motor común y ofrecen una protección mucho más completa.
.
Las ráfagas de energía que arrancan un motor pueden ser perjudiciales. El motor se enciende inmediatamente, lo que es eficiente y ahorra tiempo, pero las elevadas afluencias de corriente pueden dañar las aplicaciones electrónicas en el motor y el inicio repentino de los dispositivos mecánicos del motor pueden crear desgaste. La velocidad variable de los controladores se usa para iniciar y detener el tren de potencia al comenzar la operación del motor para evitar el desgaste mecánico, pero los arrancadores suaves son una opción para los motores que no tienen los controladores.
.
Los arrancadores suaves optimizan las secuencias de arranque y de parada, siendo alguno de sus beneficios:
.
¿En qué dispositivos se puede aplicar?
Bombas de vacío.
Motores eléctricos.
Bombas centrífugas.
Trituradoras (sin carga inicial).
Compresores de tornillo (inicio d).
Ventiladores axiales (de baja inercia y baja carga).
Y un largo etcétera...

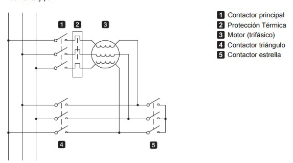
¿Qué diferencia un arranque con arrancador suave de un arranque con estrella/triángulo?
Pero no todo son inconvenientes respecto a los arrancadores suaves. Encontramos ventajas como:

.

El convertidor de frecuencia solar actúa sobre el motor de CA de la bomba modificando la frecuencia y, por tanto, la velocidad de giro (rpm), con lo que se consigue variar proporcionalmente el caudal de agua bombeado.
.
.
Ventajas del convertidor de frecuencia
.
Los convertidores de frecuencia son ampliamente usados en instalaciones de bombeo, ya que al modificar la velocidad de giro de las bombas permiten reducir el caudal y, por lo tanto, la potencia absorbida por la bomba. De esta forma, se obtiene el caudal más adecuado para los requerimientos de eficiencia y las necesidades del usuario.
.
Regular el caudal mediante un convertidor es más eficiente que la regulación por el estrangulamiento de la válvula. Estos equipos incorporan además rampas que suavizan el arranque y paro de la bomba protegiendo el desgaste de los elementos mecánicos, ya que los esfuerzos sobre los rodamientos se reducen de forma proporcional al cuadrado de la velocidad.
.
El uso de convertidores de frecuencia produce:
.
• Ahorro en el consumo de energía
.
• Mejora de la vida útil del conjunto motor/bomba.
.
En muchos casos las instalaciones de bombeo están alejadas de las líneas eléctricas, lo que obliga al uso de generadores de gasoil que provocan elevados costes por abastecimiento y consumo de combustible, además de necesitar un mantenimiento periódico y ocasionar problemas de emisiones y ruidos.
.
El mayor coste por volumen bombeado (es decir, euros por litro remontado) es a causa de la energía, ya sea la electricidad y/o el combustible. Tambien tenen un fuerte impacto en el coste total la vida útil de los componentes de la instalación: conjunto bomba/motor, el generador de gasoil o los elementos de control.
.
La energía solar fotovoltaica es de origen renovable y, por lo tanto, virtualmente inagotable, ya que se obtiene a partir de la radiación solar. A diferencia de la eléctrica o el combustible, la energía solar fotovoltaica está experimentando una continua bajada de costes, que contrasta con los continuos incrementos de precios de la conexión a la red.
.
¿Cómo funciona?
.
La tecnología solar fotovoltaica y los convertidores de frecuencia pueden relacionarse de una forma altamente eficiente para resolver la ausencia de energía eléctrica, reduciendo el consumo de energía para el mismo volumen de agua remontado y mejorando la vida útil de toda la instalación.
.
Los módulos solares captan la energía irradiada por el sol y la convierten en energía eléctrica que se aplica a la entrada del convertidor de frecuencia.
.
El variador convierte la corriente continua procedente de los módulos solares a corriente alterna suministrada al motor de la bomba, y adecua el caudal mediante la regulación de velocidad a la cantidad de radiación solar que incide en cada momento, consiguiendo el máximo aprovechamiento de la radiación disponible.
.
En estaciones de bombeo en funcionamiento, se pueden conseguir ahorros importantes de energía mediante la instalación de un convertidor de frecuencia y substituir la fuente de energía eléctrica por energía solar fotovoltaica sin necesidad de modicar la instalación hidráulica ni el conjunto motor/bomba. En el caso de nuevas instalaciones, la elección adecuada de los componentes y del punto de trabajo puede mejorar aún más la eficiencia total del sistema.
.
Caudal y potencia hidráulica
.
| 50 | 45 | 40 | 35 | 30 | |
| Caudal | 100% | 90% | 80% | 70% | 60% |
| Kw | 100% | 72,9% | 51,2% | 34,3% | 21,6% |
.
.
.

Existen diferentes tipos de motores eléctricos, pero todos ellos trabajan generando algún tipo de fuerza electromagnética que enciende el motor y opera los dispositivos a los cuales están conectados. Todos los motores, de inducción o no, necesitan un flujo de corriente para encenderse (los motores de inducción sólo necesitan un arranque de corriente para comenzar a funcionar correctamente). Las conexiones eléctricas están diseñadas para proporcionar esta corriente, y los motores están diseñados para soportar los niveles comunes de voltaje de electricidad de la casa.
.
El motor de inducción es el más común. Están orientados a gran variedad de industrias como son: Alimentario, Automoción, Textil, Eólico, Siderúrgico, Ferroviario, Agrícola Forestal, Papelero, Químico Farmacéutico, Obra Pública, Minero y Petroquímico entre otros.
.
Los usos mas frecuentes de los motores eléctricos son: Bombas, Ventiladores, Compresores, Grúas, Trituradoras, Cintas transportadoras, Máquinas Herramienta, Molinos, Máquinas Centrífugas, Prensas, Descargadores de silos, Alimentadoras para uso rural, Ascensores Telares, Rectificadoras, Madereras, Refrigeración, Equipos de Empaquetamiento y Otras Aplicaciones Severas.
.
Motores eléctricos monofásicos
.
Los motores eléctricos monofásicos asíncronos están equipados con condensadores de arranque, además pueden conectarse a redes de 50 Hz o 60 Hz con 115 V o 230 V y son compatibles con el rango de tensión de 220 V hasta 240 V. Como alternativa también se pueden instalar en la red monofásica modelos con variador de frecuencia.
.
La mayor ventaja de los motores eléctricos monofásicos es su fácil aplicación en cualquier red eléctrica doméstica de 220v. Esto permite que sin incrementar los costes de la empresa se pueda disponer de motores eléctricos en un amplio abanico de potencias. También se pueden instalar en viviendas cubriendo una gran variedad de necesidades como pueden ser grupos de presión, apertura de puertas, etc.
.
.
Los motores eléctricos trifásicos son más pequeños que los motores eléctricos monofásicos aún siendo de la misma potencia. Están disponibles en potencias desde los 0.08cv hasta los 480cv. Se fabrican en hierro y aluminio con ventilación exterior. En función de los tamaños se pueden proporcionar con sondas térmicas y dispositivos de reengrase. Las frecuencias de trabajo se encuentran en los 50hz y 60hz. En función de sus revoluciones se fabrican con 2, 4, 6 y 8 polos.
Por su gran variedad y potencia los motores eléctricos trifásicos son utilizados en las variadas aplicaciones: accionamiento de maquinas herramienta, bombas, montacargas, ventiladores, extractores, elevadores grúas eléctricas, etc.
Los motores eléctricos trifásicos tienen las siguientes ventajas:
Los motores eléctricos trifásicos están fabricados con rotor en cortocircuito o en jaula de ardilla. Este tipo de montaje ofrece una gran simplicidad constructiva otorgándole una gran robustez y economía. Destacar la facilidad para realizar sobre ellos un control de velocidad adaptado a las necesidades de cada aplicación concreta.
Los usos más habituales: bombas, ventiladores, compresores, inyectores, molinos, centrales de aire acondicionado, grúas, transportadores continuos, máquinas operatrices, bobinadoras, torres de enfriamiento, centrífugas, prensas, grúas o guindastes, puentes grúas, ascensores, prensas de costura, trituradores, picadores de madera, mesas de rodillos, empaquetadoras, etc.
.
Los motores de corriente continua también se conocen por motores de corriente directa y su función es convertir la energía eléctrica en mecánica, a través un movimiento rotatorio, gracias a la acción que se genera del campo magnético. Encontramos varios tipos: En serie (Un tipo de motor en el que el campo magnético principal se conecta en serie con la armadura); Paralelo (En este modelo, el devanado de estator y de rotor del motor se conectan en paralelo) y Compound (Este motor combina las dos configuraciones anteriormente mencionadas, la de serie y la de paralelo).
Estos motores basan su funcionamiento en la fuerza producida por un campo magnético sobre una intensidad de corriente eléctrica en un conductor, según la expresión: F=B·L·I.
F= es la fuerza, expresada en newtons, sobre el conductor.
I= intensidad en amperios que el conductor recorre.
L= es la longitud del conductor expresada en metros.
B= densidad del campo magnético (teslas).
El principal inconveniente de estas máquinas es el mantenimiento, muy caro y laborioso, debido principalmente al desgaste que sufren las escobillas.
Además de la alta confiabilidad y seguridad, asociada a largos intervalos sin necesidad de mantenimiento, los motores de corriente continua poseen importantes características que lo destacan en la industria:
.
Debido a su versatilidad en las aplicaciones, el motor de corriente continua es dueño una gran área del mercado de motores eléctricos, destacándose:
.
.
.
Es el componente encargado de transformar la energía mecánica del motor en energía eléctrica. Va unido al volante del motor a través de unos discos de fijación (eje libre) o a través de un acoplamiento flexible que transmite el movimiento del volante del motor al rotor del alternador.
Los alternadores tienen su fundamentación en un conductor sometido a un campo magnético variable se crea una tensión eléctrica inducida cuya polaridad depende del sentido del campo y su valor del flujo que lo atraviesa.
Un alternador consta de dos partes fundamentales, el inductor, que es el que crea el campo magnético y el inducido que es el conductor el cual es atravesado por las líneas de fuerza de dicho campo magnético.
El valor de la frecuencia dependerá de la velocidad de giro para un número determinado de polos. Dado que el uso de los grupos electrógenos es la corriente trifásica explicaremos su fundamento.
Si se montan tres bobinas, desfasadas 120 grados entre sí, y se les hace girar dentro de un campo magnético Norte-Sur, se crea una f.e.m. alterna en cada una de ellas desfasadas 120 grados, como indica el diagrama de corrientes trifásicas en función del tiempo.

Cada bobinado, por ser abierto tiene un principio y un final; en los bobinados trifásicos los principios se designan con las letras U, V, W y los finales con X, Y, Z. En los monofásicos el principio es U y el final es X. Existen dos tipos fundamentales de conexión de un alternador:
Cada bobinado, por ser abierto tiene un principio y un final; en los bobinados trifásicos los principios se designan con las letras U, V, W y los finales con X, Y, Z. En los monofásicos el principio es U y el final es X. Existen dos tipos fundamentales de conexión de un alternador:
.
Los reductores y motorreductores mecánicos de velocidad son capaces de cambiar y combinar velocidades de giro en dispositivos como un reloj de pulsera hasta cambiar velocidades en un automóvil o dar tracción en buques de carga, molinos de cemento, grandes máquinas excavadoras de túneles o bien en molinos. Por tanto, aunque sean dispositivos muy sencillos de funcionar tienen un grado de utilidad muy elevado gracias a la variedad aplicaciones que tienen.
Un motorreductor tiene un motor acoplado directamente, el reductor no tiene un motor acoplado directamente.
A continuación se dan los principios básicos de un reductor o motorreductor de velocidad:
Supongamos que la rueda “A” de la figura 1 tiene un diámetro de 5 cm. Su perímetro será entonces de 5 x 3.1416 = 15.71 cm. El perímetro es la longitud total del envolvente de la rueda. Una rueda “B” de 15 cm de diámetro y 47.13 cm de perímetro (15 x 3.1416) está haciendo contacto con el perímetro de la rueda “A” (figura 2)
En la figura 3, cuando gira la rueda “A” hará que a su vez gire la rueda “B” pero sucederá que por cada tres vueltas que dé “A”, la rueda “B” solamente dará una vuelta, esto es, el diámetro de “B” dividido por el diámetro de “A” (15/5 = 3). Este número 3 será la relación de reducción de este reductor o motorreductor elemental y se indica como i: 3.
Con esta combinación se logra disminuir la velocidad de rotación de la rueda “B” a la tercera parte de la velocidad de la rueda “A”. Si a la combinación de ruedas encadenáramos más ruedas adicionales lograremos una velocidad cada vez i: 6, i: 30 o mayor.
Con este sistema de reducción no solamente disminuimos la velocidad de “B” a un giro más lento que es útil para la mayoría de las aplicaciones sino que al mismo tiempo estaremos aumentado el torque en la última rueda del motorreductor que generalmente se conoce como la rueda de salida.
El “torque” es una fuerza de giro cuyas unidades son kilogramos, metro o pulgada.
.
.
.
Monofásicas 220V o trifásicas 220/380V. Aspiración lateral o doble aspiración para aplicaciones industriales, invernaderos, cabina de pintura, secaderos alimentacion, hosteleria, campanas extractoras, refrigeracion, ventilación.
.
.
Ventiladores centrífugos con o sin motor incorporado, monofásicas 220V o trifásicas 220/380V. Aspiración lateral o doble aspiración para aplicaciones industriales, invernaderos, cabina de pintura, secaderos alimentacion, hosteleria, campanas extractoras, refrigeración, ventilación.
.
.
Ventiladores de pared monofásicos 220V con rejilla, para aplicaciones industriales, invernaderos, cabina de pintura, secaderos alimentación, hostelería, campanas extractoras, refrigeración, ventilación.
.
En zuendo.com vendemos todo tipo de reductores tornillo sinfín de medidas RSTV25, RSTV30, RSTV40, RSTV50, RSTV63, RSTV75, RSTV90, RSTV110, RSTV130, con reducciones I: 7,5, 10, 15, 20, 25, 30, 40, 50, 60, 80, 100. y reductores de engranaje coaxial. Con todas las reducciones posibles y accesorios como eje, chaveteros, brazos de reacción y variadores de velocidad tanto eléctricos como mecánicos.
.
Reductores de medidas RSTV25, RSTV30, RSTV40, RSTV50, RSTV63, RSTV75, RSTV90, RSTV110, RSTV130, para bridas b5 y b14 con reducciones I: 7,5, 10, 15, 20, 25, 30, 40, 50, 60, 80, 100. Normalizados para todo tipo de motor.
.
.
Con todas las reducciones posibles. Anclaje mediante patas. Normalizados para todo tipo de motores.
.
.
Variadores mecánicos de velocidad para motores eléctricos. Disponibles para una potencia de 0,37 kw, 0,75 kw, 1,5 kw, 2,2 kw y 4 kw.
.
.
Brazos de reacción, ejes simples, ejes dobles, poleas, piñones, bridas pam, bridas de acople, casquillos, variadores mecánicos kits de unión y prerreductoras.
.
.
Motobombas a gasolina y bombas de agua monofásicas 220V para piscinas, comunidades, viviendas, riego, recirculación, achique, trasvase, pozos, lobular, dosificadora, centrífuga, circulación, centrípeta, alta presión, tornillo helicoidal, de vacío, electrobombas, volumétrica, rotativa, rotoestática, monobloc.
.
.
Motobomba con motor de gasolina en bancada zuendo.com
Venta de motobombas con motor a gasolina. Disponemos de una gran variedad de motobombas donde elegir con muchas combinaciones de caudal, presión, altura bombeada y potencia de succión para amoldarse a tus necesidades.
Bombas de agua para riego, recirculación, achique, trasvase, pozos. Bombas mono, lobular, dosificadora, centrífuga, circulación, centrípeta, alta presión, tornillo helicoidal, de vacío, electrobombas, volumétrica-rotativa-rotoestática, monobloc, volumétrica.
.
.
Venta de motobombas eléctricas zuendo.com
Electrobombas de riego, trasiego, trasvase, jardín, de presión, con calderín y para pozos. Amplio catálogo de motobombas eléctricas de todos los tipos.
Gran variedad de bombas con todo tipo de voltajes, potencia, caudales y presión.
En zuendo.com tenemos un amplio catálogo de bombas para todo tipo de funciones como riego por goteo, pozos, piscinas, jardín, regadío.
.
.
Vibradores trifásicos 220 / 380 V, monofásicos 220V y neumáticos de bolas 1500 y 3000 revoluciones por minuto para todo tipo de usos.
Para empresas de molinería harina,cemento,cal,yeso,minerales,elaboración productos refractarios,edificación,tratamiento aguas residuales municipales(incl. Tratamiento de lodos),triturado,minería,cribado,plantas micronización,molinería alimentación animal(Piensos),asfalto,mezclado,nutrición animal,plásticos y químicos,equipo de dosificación de cal,elaboración de cristal,industria de alimentos secos,industria pesada,molinería harina y arroz,extracción petróleo y gas,procesamiento plástico, premezclado y producción prefabricados de Hormigón,mortero seco para construcción,maquinas,chorro de arena,pulido,esmerilado,desbarbado,sal.
.